Vol.712 24.Mar.2017

Aruduino(2)〜デジタル入出力〜 ヒエログリフ 中島閘門(富岩運河)

A Aruduino (2) 〜デジタル入出力〜

by fjk

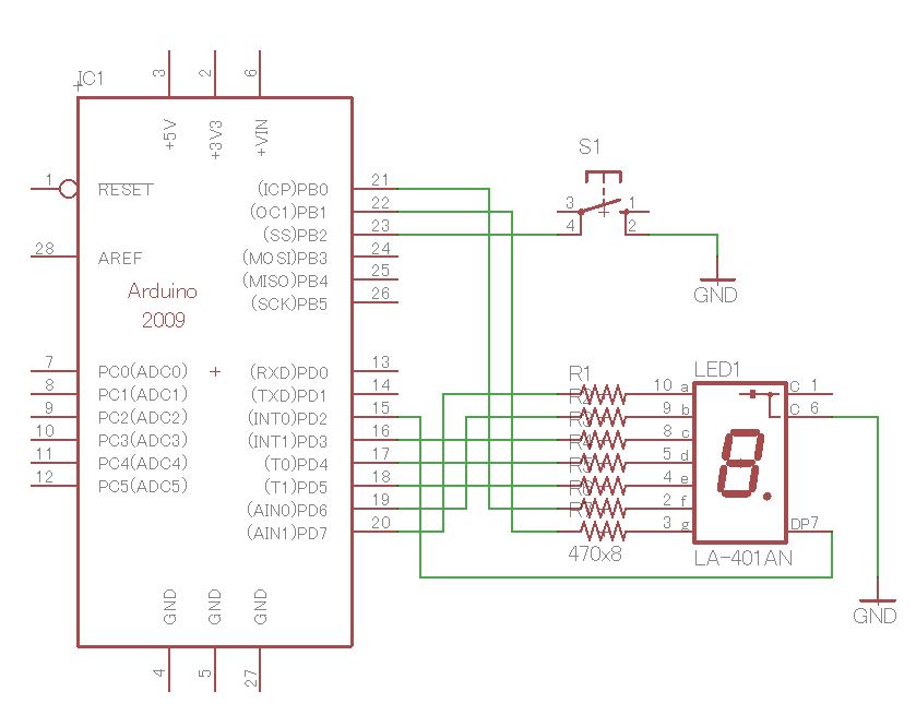
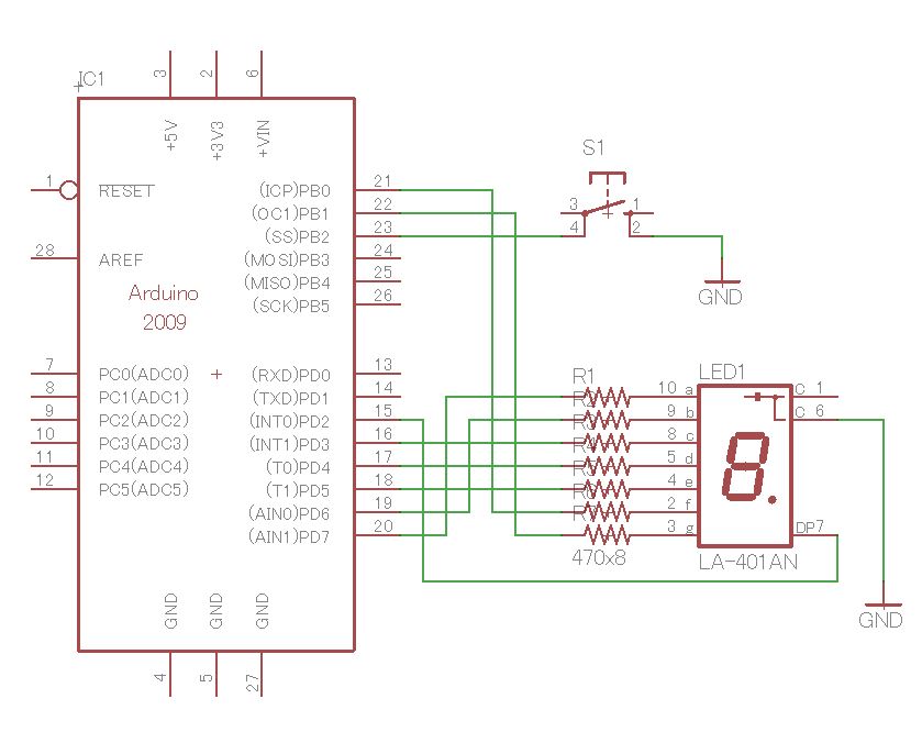
 準備したパーツは、@ブレッドボードおよび配線ケーブル、A7セグメントLED(C-533SR、カソードコモン)、Bプッシュスイッチ(基板用)、C抵抗(330Ω×8本)。
 配線は、ユニバーサル基板の上にブレッドボードを取り付け、配線した。動作はスイッチが押されると7segのDPが点灯し、更に押された回数が7segで表示される。確認のため、パソコンのモニタにも表示されるようにした。なお、スイッチ入力はスケッチ例のStateChangeDetection、7セグメントLEDの表示には、前述のDivicePlusさんのページを参考にさせて頂いた。
 UNO(ATMEGA328P)ではピン毎に機能が決まっており、デジタルピンはPD0〜7、PB0〜5(ソフトピン番号0〜13。うちPWMは3、5,6,9,10,11ピンが利用可)を利用する必要がある。ちなみにアナログピンはPC0〜5(ソフトピン番号0〜5、デジタルで使う場合は14〜19)。  編集時にCtr+T(整形)、Ctr+R(検証)、Ctr+U(送信)のショートカットキーの利用が便利。
ブレッドボード例 回 路 図
動 作 例 ArduinoUnoピン配置(参考)
デジタル入出力スケッチ (dejital_test.ino), (dejital_test.zip)


H ヒエログリフ

by fjk

近くで開催されたエジプト展に出かけ、出口のショップでヒエログリフ文字ゴム印セットを買った。ヒエログリフには象形文字の代表であるが、600以上の文字があり、エジプトの時代によっても形が異なる。文字には表意と表音の両方があり、表音文字で日本語の50音を表すことが出来る。文字の並び方向は縦横どちらでも良く、横は左右どちらでも良いとされている。
 また、ヒエログリフ変換ページもある。名前を入力するとヒエログリフに変換してくれる。さらに、文字の回りをカルトゥーシュで囲むとファラオになる。


N 中島閘門(富岩運河)

by fjk

富岩運河環水公園から富山港までに続く富岩運河のほぼ中間にある中島閘門は昭和9年に作られたパナマ運河方式の閘門で、国の重要文化財となっている。閘門の大きさは長さ60m、幅9m、高さ6.3mで200t級の船が航行可能です。水位差は約2.5m(通過できる指定文化財の関門ではその差は日本最大)となっている。富岩運河には観光船が運航しており、船に乗って、この閘門を通過する経験が出来る。ちょうど閘門の修繕中に訪問し、深い閘門の構造を見ることが出来た。その後、修理が済み、観光船が運航を開始しました。

修理中の閘門(底が見える) 観光船が閘門を通過中


Aruduino(2)〜デジタル入出力〜 ヒエログリフ 中島閘門(富岩運河)