 
 
 
 
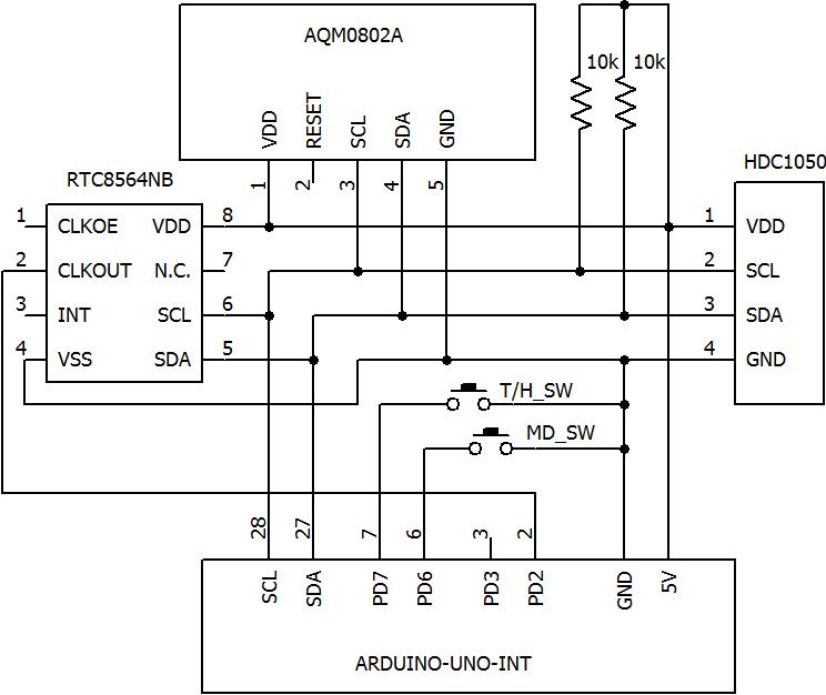
時間の表示が出来るようになったので、更に、温度・湿度を測定し表示させることにした。温湿度センサは当初はBME280を利用する予定でしたが、BME280は動作電圧が3.3Vで、測定値の補正計算も面倒そうなので、5Vで動作し、データもリニアでそのまま使えるHDC1050を使うことにした。
 HDC1050のデータは全て16ビットで、最初に動作設定をConfiguration(0x02)に書き込み、温度(0x00)または湿度(0x01)にアドレス指定すると温湿度の測定が開始され、測定終了後に温度や湿度の16ビットデータ(有効データは上位14ビット)読み込み、測定範囲で浮動小数点データに変換するだけである(温度は-40℃オフセットが必要)。HDC1050では温度と湿度を同時に測定し、温度と湿度を続けて読み込むこともできるが、ここでは温度と湿度を個別に測定し、読み込む方法を用いた。
 左ボタンは「温湿度/時刻表示」切替えボタン、右ボタンは「秒/曜日・温度表示桁」切替ボタンとした。LCD表示時の注意として、UNOではsprintfでformat文に"%f"が使えないので、dtostrf()を利用した(指数表示できるdtostre()もある)。なお、標準で温度表示は4桁で、5桁以上になると右端の”C"が表示されない。この場合、右ボタンを押すと”C"を含めて正しく表示される
 なお、RTCの内部データはBCDデータとなっているので、整数データをBCDに変換して書き込み、読み出し時には2進数に変換した。また、プッシュボタンを押すと、「秒表示」と「曜日表示」を変更できる。
 1秒毎の測定にはRTCの一定周期割り込みも使えるが、RTCのCLOCKOUTに1Hzが出力されるように設定し、これをUNOの2番ピンに接続し、UNOの外部割り込み(立ち上がり)を利用した。割込ルーチンではrtc_int_flgをセットし、メインルーチンで常にrtc_int_flgをチェックし、フラグが立っていたら各データを取り込んで、LCDに表示している。これにより1秒毎に時計と温湿度データを取込み、表示している。RTCのINT出力はRTC基板のLED表示に利用した(1秒毎にON/OFF)。
char *dtostrf( double val, signed char width, unsigned char prec, char *s ) 【変数】val :変換する値 width :小数点や符号を含んだ変換後の総文字数(負の数を指定すると左詰めとなる) prec :小数点以下の桁数 s :変換後の文字列を格納する変数を指定 戻り値 :戻り値は、変換後の文字列を格納する変数(sと同じ)
//********** interrupt routin *****
void rtc_intr(){       // 割込処理ルーチン
 rtc_int_flg = true;    // 割込フラグをセット
}
      ・・・
  attachInterrupt( 0, rtc_intr, FALLING ); // 割込設定(H->L))
      ・・・
|  |  |  | 
| 温湿度測定表示回路図 | ブレッドボード配線 (左:温度/時刻、右:秒/曜) | 温湿度データ読み込み・表示中 | 
| // 温度・湿度測定+RTC+LCD( HDC1050 + rtc-8564nb + LCD ) #include | 
//***** 液晶表示 ********(使用電源によりどちらか選択) 
//#define BOOST 0x04            // 3.3V用 AQM0802 
  #define BOOST 0x00            // 5.0V用 AQM0802 
int  contrast = 0x20;           // コントラスト初期値
void lcd_cmd(byte cmd){ 
  Wire.beginTransmission(LCD_Adr); 
  Wire.write(0x00);             // コマンド指定 
  Wire.write(cmd);              // コマンド出力 
  Wire.endTransmission();       // ストップ 
  if((cmd == 0x01)||(cmd == 0x02)) // ClearかHomeか 
    delay(2);                   // 2msec待ち 
  else 
    delayMicroseconds(30);      // 30μsec待ち 
} 
 
void lcd_data(byte data){ 
  Wire.beginTransmission(LCD_Adr); // スタート 
  Wire.write(0x40);             // 表示データ指定 
  Wire.write(data);             // 表示データ出力 
  Wire.endTransmission();       // ストップ 
  delayMicroseconds(30);        // 遅延 
} 
 
void lcd_setCursor(byte clm,byte row){ 
  if(row==0) lcd_cmd(0x80+clm);  // カーソル位置 
  if(row==1) lcd_cmd(0xc0+clm); 
} 
void lcd_begin(void){            // LCDの初期化 
  Serial.println("LCD_begin"); 
  delay(10); 
  lcd_cmd(0x38);          // 8ビット2行 標準モード 
  lcd_cmd(0x39);          // 8ビット2行 拡張モード 
  lcd_cmd(0x14);          // OSC 183Hz BIAS 1/5 
  lcd_cmd((byte)(0x70 + (contrast & 0x0F))); 
  lcd_cmd((byte)(0x58 + BOOST + (contrast >> 4)));
  lcd_cmd((byte)0x6B);        // Follwer for 3.3V 
  delay(1); 
  lcd_cmd((byte)0x38);        // 標準モードへ 
  lcd_cmd((byte)0x0C);        // 表示開始 
  lcd_cmd((byte)0x01);        // 画面消去 
  delay(1); 
} 
 
void lcd_clear(void){ 
  lcd_cmd(0x01);              // 全消去コマンド出力 
  delay(2); 
} 
 
void lcd_print(char* ptr){    // 文字列表示関数 
  while(*ptr != 0)            // 文字取り出し 
    lcd_data(*ptr++);         // 文字表示 
} 
 
void lcd_print(int num){     // 整数表示関数
   sprintf(s_buf,"%d",num); 
   lcd_print(s_buf); 
} 
//***** HDC1050 ********
#define HDC_TEMP     0
#define HDC_HUME     1
#define HDC_CONFIG   2
void hdc_write(byte adr, word data){
  Wire.beginTransmission(HDC_Adr);
  Wire.write(adr);                  // アドレス指定
  Wire.write((byte)(data >> 8));    // データ書込み(MSD8) 
  Wire.write((byte)(data % 0xff));  // データ書込み(LSD8)
  Wire.endTransmission();
  delay(1);    
}
unsigned int hdc_read(byte adr){
  word rd_dat;
  Wire.beginTransmission(HDC_Adr);
  Wire.write(adr);                  // アドレス指定
  Wire.endTransmission();
  Wire.requestFrom(HDC_Adr,2);      // データ1バイト送信要求
  while ( Wire.available()== 0 );
  rd_dat =  Wire.read() << 8 ;      // データ取得(MSD8)
  rd_dat = rd_dat | Wire.read();    // データ取得(LSD8)
  return rd_dat;
}
void hdc_trigger(byte adr){
  Wire.beginTransmission(HDC_Adr);
  Wire.write(adr);                  // アドレス指定
  Wire.endTransmission();
  delay(1);      
}
unsigned int hdc_read_data(){
  word rd_dat;
  Wire.requestFrom(HDC_Adr,2);      // データ1バイト送信要求
  rd_dat =  Wire.read() << 8 ;      // データ取得(MSD8)
  rd_dat = rd_dat | Wire.read();    // データ取得(LSD8)
  return rd_dat;  
}
 | 
void hdc_begin(){                   //****** 条件により選択
  Serial.println("HDC_begin");   
//hdc_write(HDC_CONFIG, 0x0000);    // TH単独、14bit、ヒートoff
//hdc_write(HDC_CONFIG, 0x1000);    // TH同時、14bit、ヒートoff
  hdc_write(HDC_CONFIG, 0x2000);    // TH単独、14bit、ヒートon
//hdc_write(HDC_CONFIG, 0x3000);    // TH同時、14bit、ヒートon  
  delay(1); 
  sprintf(s_buf,"HDC device: %x", hdc_read(0xff) ); 
  Serial.println(s_buf);        
}
//********** interrupt routin *****
void rtc_intr(){                  // 割込処理ルーチン
  rtc_int_flg = true;             // 割込フラグをセット
  Serial.println("interrupt!");  // 周期割込確認用
}
//********* setup ***********
void setup(){
  Serial.begin(9600);               // シリアルモニタON
  pinMode(MdBtn_Pin, INPUT_PULLUP);  // モード選択ボタン
  pinMode(THBtn_Pin, INPUT_PULLUP);  // 時間・温度選択ボタン
  Wire.begin();                      // I2C通信開始
  delay(1);
  rtc_begin();                       // RTCの初期化
  lcd_begin();                       // LCDの初期化
  hdc_begin();
  attachInterrupt( 0, rtc_intr, FALLING ); //割込設定
  Serial.println("-- setup end"); 
}
//********* main loop ***********
unsigned int temp;
unsigned int hum;
float f_buf;
char buf[10] = "";
void loop(){
  if ( digitalRead(MdBtn_Pin) == LOW ){;
    dsp_md  = dsp_md ^ 0x01;               // ビット0を反転
    while( digitalRead(MdBtn_Pin) == LOW ); // highまで待つ
  }
  if ( digitalRead(THBtn_Pin) == LOW ){;
    dsp_md  = dsp_md ^ 0x02;               // ビット1を反転
    while( digitalRead(THBtn_Pin) == LOW ); // highまで待つ
  }
  hdc_trigger( HDC_TEMP );
  delay(10);
  temp =  hdc_read_data();
//temp =  0xffff;                     // 表示テスト用
  hdc_trigger( HDC_HUME );
  delay(10);
  hum = hdc_read_data();
  if ( rtc_int_flg == true ){         // 割込フラグが立っているか?
    rtc_read_data();                  // RTCからデータを読む 
    switch ( dsp_md ){
      case 0:
      case 1:    
        sprintf( s_buf,"%02d/%02d/%02d",years,months,days );
        break;
      case 2:
        f_buf = (float)temp / 65536.0 * 165.0 - 40.0; 
        dtostrf( (double)f_buf,4,1,buf);  // "%f"の代わり 
        sprintf( s_buf,"T:%4s\337C",buf );  
        break;        
      case 3:
        f_buf = (float)temp / 65536.0 * 165.0 - 40.0; 
        dtostrf( (double)f_buf,5,1,buf);  // "%f"の代わり 
        sprintf( s_buf,"T%5s\337C",buf );  
        break;  
    }
    lcd_setCursor(0,0);               // カーソルを0行目の先頭に
    lcd_print(s_buf);                 // LCDに年月日を表示
    Serial.println( s_buf );         // 表示テスト・確認用
    switch ( dsp_md ){
      case 0:
        sprintf( s_buf,"%02d:%02d:%02d",hours,minutes,seconds );
        break;
      case 1:
        sprintf( s_buf,"%02d:%02d%3s",hours,minutes,wk_dt[weeks] );
        break;
      case 2:
      case 3:
        f_buf = (float)hum / 65536.0 * 100.0;
        dtostrf( (double)f_buf,4,1,buf);  // "%f"の代わり 
        sprintf( s_buf,"H:%4s %%",buf );  
        break;       
    }
    lcd_setCursor(0,1);               // カーソルを1行目の先頭に
    lcd_print(s_buf);                 // LCDに時分秒を表示     
    Serial.println( s_buf );         // 表示テスト・確認用 
    rtc_int_flg = false;              // 割込フラグ消去 
  }
  delay(10);
}
 | 
温度・湿度−LCD表示スケッチ (hdc1050_rtc.ino), (hdc1050_rtc.zip)
 郵便物などの宛名が残ったままゴミ箱に捨てた場合、個人情報が読み取られる場合があります。
 このような場合、シュレッダーを使ったり、宛名部分を黒く塗りつぶす方法が行われています。郵便物など消す部分が小さい場合は、「コココロケシコロ」「ケシポン」などのローラースタンプが便利です。特にMAXの「コロコロケシコロwithレターオープナー」は宛名消しと切り屑を出さずに封筒カットと両方出来るので、机の上に一つ置いておくと便利です
|  | 
| コロコロ消しコロwithレターオープナー | 
毎年、砺波市で開催されているチューリップフェアに久しぶりに行きました。朝早かったので近くの駐車場に車を駐車できましたが、平日にも関わらず県外ナンバー車が多く止まっていました。
 全体を俯瞰するためチューリップタワーに登り、大花壇を見ると、100回記念の花絵が綺麗に見えました。さらに、花の大谷、水上花壇、五輪揚水水車とまわり、ふるさと広場の屋台で昼食をとりました。次に訪れたチューリップ四季彩館では、チューリップが咲き揃うワンダーガーデン、特別展示のロイヤルコレクション(皇室に献上した品種)が展示されていました。カフェーかくれ庵でチューリップソフトをいただきました。チューリップの原産地はトルコで、宮殿やモスクのタイルに使われていたことや、球根では富山県、切り花では新潟県、どちらも県花、と勉強にもなりました。
|  |  |  |  | 
| チュ-リップタワー | 大花壇 | 花の大谷 | 水上花壇 | 
|  |  |  |  | 
| 五輪揚水水車 | 水車の説明 | ふるさと広場 | チューリップ色彩館 | 
|  |  |  |  | 
| ちゅーりっぷソフト | ワンダーガーデン | ロイヤルコレクション | トルコのチューリップ | 
|  |  |  |